- الصفحة الرئيسية
- المعوضات الإستاتيكية ( SVC)
- تطبيقات المعوضات الإستاتيكية SVC في الشبكة الكهربائية
تطبيقات المعوضات الإستاتيكية SVC في الشبكة الكهربائية
SVC for Utility

شركة CSG (Southern Grid) هي ثاني أكبر شركة كهرباء في الصين ومسؤولة عن خطوط نقل الضغط العالي (الجهد العالي) لكلاً من AC و DC. الأحمال الرئيسية الواقعة في القطاع الشرقي، مع المولدات الرئيسية الواقعة في الغرب. كلاً من خطوط النقل AC 500 كيلو فولت وخطوط النقل HVDC500 كيلو فولت و800 كيلو فولت استخدمت لتقل الطاقة الكهربائية المطلوبة من الغرب إلى الشرق.
محطة التحويل Wuzhou 500 كيلو فولت من عقد الشبكة المهمة في وسط خطوط النقل هذه لاستقبال تدفق القدرة من كلاً خطوط النقل AC و DC القادمة من الغرب.

حيث أن الطلب على الطاقة الكهربائية في الشرق دائماً في تزايد مستمر كل سنة، وهذا بدوره يقود إلى المزيد من الحمل على قدرة خطوط النقل الموجودة. لذلك فإن شركة CSG تفعل ما بوسعها لتحسين حدود قدرتها على نقل الطاقة الكهربائية بأعلى جودة ممكنة.
وفقاً لدراسة النظام، فإن استخدام المعوضات الإستاتيكية SVC المقننة بقدرة 210 ميجا فار في محطة التحويل Wuzhou سوف تعمل على تحسين الحالة. حيث تزيد من قدرة خطوط النقل Guangxi - Guangdong بقيمة 100 ميجا وات، بينما قدرة خطوط النقل Yunnan – Guangdong بقيمة 30 ميجا وات و قدرة خطوط النقل Guizhou – Guangdong كذلك تزيد بقيمة 30 ميجا وات. لذلك نظرياً يكون هناك زيادة بقيمة 160 ميجا وات من القدرة سوف تتدفق بفضل استخدام المعوضات الساكنة SVC في التشغيل. استقرارية الجهد الديناميكي يمكن أيضاً تحسينها باستخدام SVC هذه في حالة حدوث أي عطل كهربائية في خطوط النقل القريبة.
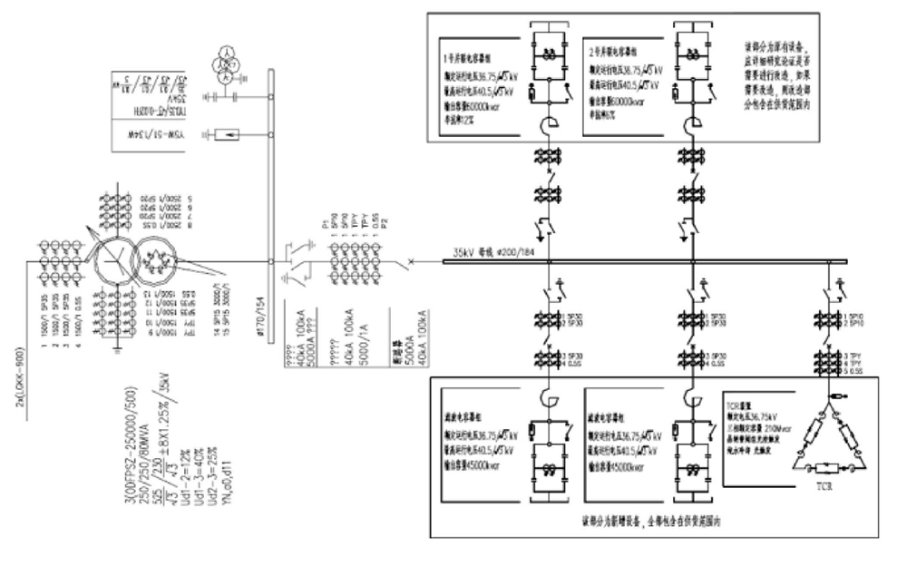
أجهزة المعوضات الثابتة SVC بقدرة 210 ميجا فار صممت وصنعت من قبل شركة RXPE لمحطة التحويل CSG Wuzhou 500 كليو فولت في سنة 2008. المعوضات الإستاتيكية SVC تشمل واحد من فروع دائرة التحكم بالثايروستر بالمحاثة (TCR) وتفرعين من مرشحات التوافقيات علاوة على تفرعين من MSC، سعة الخرج من – 120 ميجا فار (حثي) إلى +210 ميجا فار (سعوي). قضيب التوصيل للجهد المتوسط صمم بحهد 35 كيلو فولت وموصل بقضيا التوصيل 500 كيلو فولت من خلال محول خافض للجهد.

صمامات الثايرستور صممت كتخطيط أفقي بطريقة تبريد الهواء بالماء. ثلاث مضخات تدوير طبقت في نظام التبريد لتحسن أكثر الموثوقية الكلية والمرونة. نظام التحكم والحماية كذلك صمم كنظام احتياطي كامل.
أجهزة المعوضات الثابتة SVC بقدرة 210 ميجا فار صممت وصنعت من قبل شركة RXPE لمحطة التحويل CSG Wuzhou 500 كليو فولت في سنة 2008. المعوضات الإستاتيكية SVC تشمل واحد من فروع دائرة التحكم بالثايروستر بالمحاثة (TCR) وتفرعين من مرشحات التوافقيات علاوة على تفرعين من MSC، سعة الخرج من – 120 ميجا فار (حثي) إلى +210 ميجا فار (سعوي). قضيب التوصيل للجهد المتوسط صمم بحهد 35 كيلو فولت وموصل بقضيا التوصيل 500 كيلو فولت من خلال محول خافض للجهد.


